剑指工控 星期二, 11/07/2017 - 18:59 发表
剑指工控 星期二, 11/07/2017 - 07:00 发表
剑指工控 星期二, 11/07/2017 - 06:50 发表

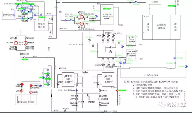
今天开始,每周二由老曹带领大家一步一步进入到自动化控制系统的奇妙世界;一步一步告诉大家如何从一张P & ID(Piping and Instrumentation diagram)图设计一套PLC控制系统,其中包括:IO点统计、PLC选型、IO表设计、IO端子图设计、机柜布置图设计、总线设计、网络设计、PLC程序编制、上位机画面编制、文档制作;让你轻轻松松完整以PLC为主控制器的控制系统设计。
剑指工控 星期四, 11/02/2017 - 07:00 发表

罗克韦尔自动化昨天表示,已经拒绝艾默生大约276亿美元的主动收购要约。
剑指工控 星期二, 10/24/2017 - 07:00 发表

2017年10月20日,GE和Apple宣布携手合作推出适用于iOS的全新Predix软件开发包(SDK),从而使得工业用户可以直接通过iPhone或iPad更方便的使用GE Predix上的预测数据和分析工具,而自此,苹果的iPad和iPhone也将进一步拓展工业领域的使用场景。
剑指工控 星期一, 10/23/2017 - 15:15 发表
剑指工控 星期一, 10/23/2017 - 15:14 发表
剑指工控 星期三, 10/18/2017 - 07:00 发表

闻道有先后,术业有专攻,小明同学一直在“新来的吧?”的问候中砥砺前行。
页面