【干活+福利】轻松掌握PLC控制系统设计(三)
本篇文章能让读者了解PLC控制系统设计的原则和一般流程;理解控制系统可靠性设计方法和调试方法;掌握硬件系统选型的方法。由于内容较多,我们分为三个片断。这是最后一个片段,重点讲述可靠性、冗余、供电系统设计。
1.6 PLC控制系统的可靠性设计
1. 可编程控制器的环境适应性
由于可编程控制器是直接用于工业控制的工业控制器,生产厂家都把它设计成能在恶劣的环境条件下可靠地工作。尽管如此,每种控制器都有自己的环境技术条件,用户在选用时,特别是在设计控制系统时,对环境条件要给予充分的考虑。
一般可编程控制器及其外部电路(I/O模块、辅助电源等)都能在下列环境条件下可靠地工作:
温度 工作温度 0-55℃,最高为60℃
保存温度 -40℃- +85℃
湿度 相对湿度 5%-95%(无凝结霜)
振动和冲击 满足国际电工委员会标准
电源 AC200V允许变化范围 -15%—+15%,频率 47-53 Hz 瞬间停电保持 10 ms
环境 周围空气不能混有可燃性、爆炸性和腐蚀性气体
2. 环境条件对可编程控制器的影响
(1)温度的影响
可编程控制器及其外部电路都是由半导体集成电路(简称IC)、晶体管和电阻、电容等元器件构成的,温度的变化将直接影响这些元器件的可靠性和寿命。
温度高时容易产生下列问题:IC、晶体管等半导体器件性能恶化,故障率增加和寿命降低;电容器件等漏电流增大,故障率增大,寿命降低;模拟回路的漂移变大,精度降低等。如果温度偏低,除模拟回路精度降低外,回路的安全系数变小,超低温时可能引起控制系统的动作不正常。特别是温度的急剧变化(高低温冲击)时,由于电子器件热胀冷缩,更容易引起电子器件的恶化和温度特性变坏。
(2)湿度的影响
在湿度大的环境中,水分容易通过模块上IC 的金属表面缺陷浸入内部,引起内部元件的恶化,印刷板可能由于高压或高浪涌电压而引起短路。
在极干燥的环境下,绝缘物体上可能带静电,特别是MOS集成电路,由于输入阻抗高,可能由于静电感应而损坏。
控制器不运行时,由于温度、湿度的急骤变化可能引起结露。结露后会使绝缘电阻大大降低,由于高压的泄漏,可使金属表面生锈。特别是AC220V、AC110V的输入/输出模块,由于绝缘的恶化可能产生预想不到的事故。
(3)振动和冲击的影响
一般可编程控制器能耐的振动和冲击频率为10~55Hz,振幅为0.5mm,加速度为2g,冲击为10g(g=10m/s2)。超过这个极限时,可能会引起电磁阀或断路器误动作,机械结构松动,电气部件疲劳损坏,以及连接器的接触不良等后果。
(4)周围空气的影响
周围空气中不能混有尘埃、导电性粉末、腐蚀性气体、水分、油份、油雾、有机溶剂和盐分等,否则会引起下列不良反应:尘埃可引起接触部分的接触不良,或使滤波器的网眼堵住,使盘内温度升高;导电性粉末可引起误动作,绝缘性能变差和短路等,油和油雾可能会引起接触不良和腐蚀塑料;腐蚀性气体和盐分可能会引起印刷板的底板或引线腐蚀,造成继电器或开关类的可动部件接触不良。
3. 改善环境设计
由上面的介绍可知,环境条件对可编程控制器的控制系统可靠性影响很大,为此必须针对具体应用场合采取相应的改善环境措施。这里介绍几种常用、可行的有效措施。
(1) 高温对策
如果控制系统的周围环境温度超过极限温度(60℃),必须采取下面的有效措施。
1) 盘、柜内设置风扇或冷风机,通过滤波器把自然风引入盘、柜内。由于风扇的寿命不那么长,故必须和滤波器一起定期检修。注意冷风机不能结露。
2) 把控制系统置于有空调的控制室内,不能直接放在日光下。
3) 控制器的安装都应考虑通风,控制器的上下都要如图1-4所示的那样留有50mm的距离,I/O模块配线时要使用导线槽,以免妨碍通风。
图1-4 风路设计
4) 安装时要把发热体(如电阻器或电磁接触器等)远离控制器,或者把控制器安装在发热体的下面。
(2) 低温对策
1) 盘、柜内设置加热器,冬季时这种加热器特别有效,可使盘、柜内温度保持在0℃以上或者10℃左右。设置加热器时要选择适当的温度传感器,以便能在高温时自动切断加热器电源,低温时自动接通电源。
2) 停运时,不切断控制器和I/O模块电源,靠其本身的发热量使周围温度升高,特别是在夜间低温时,这种措施是有效的。
3) 在温度急骤变化的场合,不要打开盘、柜的门,以防冷空气进入。
(3) 湿度不宜对策
1) 盘、柜设计成密封型,并放入吸湿剂。
2) 把外部干燥的空气引入盘、柜内。
3) 印刷板上再覆盖一层保护层,如喷松香水等。
4) 在湿度低、干燥的场合进行检修时,人体尽量不接触模块,以防感应电损坏器件。
(4) 防振和防冲击措施
1) 如果振动源来自盘、柜之外,可对相应的盘、柜采用防振橡皮,以达到减振目的。同时亦可把盘柜设置在远离振源的地方,或者使盘柜与振源共振。
2) 如果振动来自盘、柜内,则要把产生振动和冲击的设备从盘、柜内移走,或单独设置盘、柜。
3) 强固控制器或I/O模块印刷板、连接器等可能产生松动的部分或器件,连接线亦要固定紧。
(5) 防周围环境部清洁的措施
如果周围环境空气不清洁,可采取下面相应措施:
1) 盘、柜采用密封型结构。
2) 盘、柜内打入高压清洁空气,使外界不清洁空气不能进入盘柜内部
3) 印刷板表面涂一层保护层,如松香水等。
所有上述措施都不能保证绝对有效,有时根据需要可采用综合防护措施。
使用可编程控制器构成控制系统时,虽说控制器的可靠性或安全性高,然而无论使用什么样的硬件,故障总是难免的,特别是控制器,对用户来说它是一个黑箱子,一旦出现故障,用户一点办法都没有。因此,在控制系统设计时必须充分考虑可靠性和安全性。
1. 环境条件富余
改善环境条件设计的目的在于使用控制器工作在合适的环境中,且使环境条件有一定富余量。如温度,虽然控制器能在60℃高温下工作,但为了保证可靠性,环境温度最好控制在40℃以下,即留有三分之一以上的富余量,其他环境条件也是如此,最好留有三分之一以上的富余量。
2. 控制器的并行运行
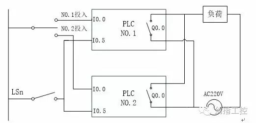
用两台控制内容完全相同的控制器,输入/输出也分别连接到两台控制器,当某一台控制器出现故障时,可切换到另一台控制器继续运行。
图1-5所示是具体实现方法。图示是外部硬接线,所有输入/输出都与两台控制器连接,当某一台控制器出现故障时,由主控制器或人为切换到另一台控制器,使其继续执行控制任务。当1号机的I0.0闭合,1号机执行控制任务,当2号机的I0.0闭合时,由2号机执行控制任务。
图1-5 控制器并列运行
控制器并列运行方案仅适用于小规模的控制系统,输入/输出点数比较少,布线容易。对大规模的控制系统,由于I/O点数多,电缆配线变得复杂,同时控制系统成本相应增加(几乎是成倍增加),这就限制了它的应用。
3. 双机双工热后备控制系统
双机双工热后备控制系统仅限于控制器的冗余,I/O通道仅能做到同轴电缆的冗余,不可能把所有I/O点都冗余,只有在那些不惜成本的场合才考虑全部系统冗余。
4. 与继电器控制盘并用
在老系统改造的场合,原有的继电器控制盘最好不要拆掉,应保留其原来的功能,以便作为控制系统的后备手段使用。对于新建项目,最好不要采用此方案。因为小规模控制系统中的控制器造价可做到和继电器控制盘相当,因此以采用控制器并列运行方案为好。对于中大规模的控制系统,由于继电器控制盘比较复杂,较费电缆线和工时,还不如采用控制器可靠,这时采用双机双工热后备控制系统方案为好。
5. 手动运行
如图1-6所示,将手操开关与输出信号线连接,当控制器出现故障时,由手操开关直接驱动负荷,仍能使系统运行。
图1-6 手动运行
手操运行不能作为控制系统的主要运行方式,只能在设备调试时用,或作为临时后备用。这是因为手操运行时没有系统联锁信号,不符合系统安全运行规程。
供电系统的设计直接影响控制系统的可靠性,因此在设计供电系统时应考虑下列因素:
(1) 输入电源电压允许在一定得范围内变化。
(2) 当输入交流电断电时,应不破坏控制器程序和数据。
(3) 在控制系统部允许断电的场合,要考虑供电电源的冗余。
(4) 当外部设备电源断电时,应不影响控制器的供电。
(5) 要考虑电源系统的抗干扰措施。
为此,本书给出下面几种实用供电系统设计方案,经实践证明这几种方案对提高控制系统的可靠性是有效地。
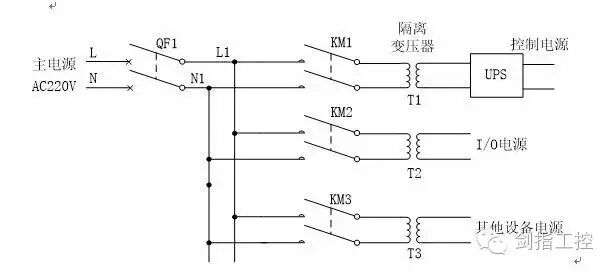
1. 使用隔离变压器的供电系统
图1-7所示是使用隔离变压器的供电系统,控制器和I/O系统分别由各自的隔离变压器供电,并与主回路电源分开。这样当输入/输出供电断电时不会影响控制器的供电。
图1-7 使用隔离变压器的供电系统
2. 使用UPS供电系统
不间断电源UPS(uninterrupted power supply)是用电设备的保护神,平时处于充电状态,当输入交流电(220V)失电时,UPS能自动切换到输出状态,继续向用电设备供电。
图1-8所示是使用UPS的供电系统,根据UPS的容量,在交流电失电后可继续向控制器供电10-30min。因此对于非长时间停电的系统,其效果是显著的。
图1-8 使用UPS的供电系统
1.7 PLC控制系统的调试
控制系统的调试可分为模拟调试和现场调试两个过程。在调试之前首先要仔细检查系统的接线,这是最基本也是非常重要的一个环节。
1. 软件模拟调试
软件在设计完成之后,可以首先使用PLCSIM进行仿真调试。该软件操作方法简单,灵活性高,使用方便。图1-9为PLCSIM仿真软件调试的界面图。
图1-9 PLCSIM仿真软件界面图
2. 硬件模拟调试
用PLC硬件来调试程序时,用接在输入端的小开关或按钮来模拟PLC实际的输入信号,例如用它们发出操作指令,或在适当的时候用它们来模拟实际的反馈信号,例如限位开关触点的接通和断开。通过输出模块上各输出点对应的发光二极管,观察输出信号是否满足设计的要求。
可用事先编写好的试验程序对外部接线做扫描通电检查来查找接线故障。不过为了安全考虑,最好将主电路断开,当确认接线无误后再连接主电路,将模拟调试程序下载到PLC进行调试,直到各部分的功能正常,并协调一致地完成整体的控制功能为止。
完成上述工作后,将PLC安装在控制现场进行联机调试,在调试过程中将暴露出系统中可能存在的传感器、执行器和硬件接线等方面的问题,以及程序设计中的问题,应对出现的这些问题,要及时加以解决。
现场调试是整个控制系统完成的重要环节。任何的系统设计很难说不经过现场的调试就能正常使用。只有通过现场调试才能发现控制回路和控制程序中不能满足系统要求之处;只有通过现场调试才能发现控制电路和控制程序中存在的问题。
在调试过程中,如果发现问题,应及时与工艺人员沟通,确定其问题所在,及时对相应硬件和软件部分进行调整。全部调试后,经过一段时间试运行,才能确认程序正确可靠,才能正式投入正常使用。
---------------End----------------
相关链接:轻松掌握PLC控制系统设计(一)
本文摘自:《西门子S7-300/400 PLC工程应用技术》
重磅福利
PLC作为实现自动化的重要基础,了解、学习PLC成为了进入工控领域的一大敲门砖。小编相信,在你的工控生涯中一定接触过PLC、学习过PLC、使用过PLC,它也必然让你欢喜,让你忧过。
点击写留言,讲讲你的感受,你的故事
本期“轻松掌握PLC控制系统设计”共分三期
评论获得最多点赞前十名每人送1本PLC书籍
(本期:8月31日12点截止选取)
本期赠书:


